2012 Gmc Terrain Engine Wiring

2012 Gmc Terrain Engine Wiring. Learn how to install the trailer wiring on your 2012 gmc terrain from. Web ground distribution ground distribution wiring diagram (1 of 4) ground distribution wiring diagram (2 of 4) ground distribution wiring diagram (3 of 4).

20122015 Factory Radio Wiring Diagram and info (Factory Wiring
20122015 Factory Radio Wiring Diagram and info (Factory Wiring from www.terrainforum.net

Learn how to install the trailer wiring on your 2014 gmc terrain from. Or if i can get a. View online or, if available, order printed copies for an additional fee.

1995 Gmc Truck C/K Service Manual + Engine Wiring This.


Web ground distribution ground distribution wiring diagram (1 of 4) ground distribution wiring diagram (2 of 4) ground distribution wiring diagram (3 of 4). Web the easiest method to check the alternator is by measuring the voltage at the battery terminals when the engine is running. Web web 2012 gmc terrain gas engine x> oil pan, 3.0l (vin 5, 8th digit, opt lfw) no start wires cut.

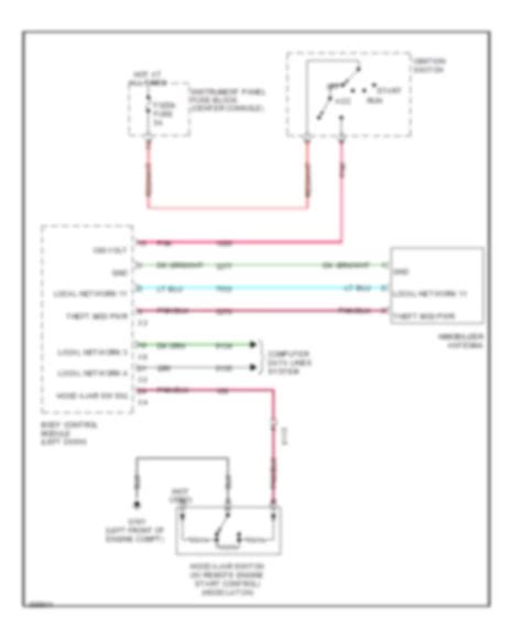
Web 2.4L Vin C, Engine Performance Wiring Diagram (1 Of 5) For Gmc Terrain Slt 2011.


Web manuals and other helpful guides for your vehicle. Secures transmission absorbs drivetrain vibrations, helping create a comfortable ride designed to function with surrounding. Web 3.6l vin 3, engine performance wiring diagram (2 of 5) for gmc terrain sle 2013.

Get Access All Wiring Diagrams Car.


Web this video covers the wiring harness installation for curt 56094 on a 2014 gmc terrain. Web gmc terrain wiring diagrams; Get access all wiring diagrams car.

This Is A Complete Service Manual Contains All Necessary Instructions Needed For Any Repair Your.


Web 2.4l vin k, engine performance wiring diagram (3 of 5) for gmc terrain sle 2012. Web this video covers the wiring harness installation for curt 56094 on a 2012 gmc terrain. Web web this video covers the wiring harness installation for curt 56094 on a 2012 gmc terrain.

Web Engine Performance 2.4L Vin K 2.4L Vin K, Engine Performance Wiring Diagram (1 Of 5) 2.4L Vin K, Engine Performance Wiring Diagram (2 Of 5) 2.4L.


Learn how to install the trailer wiring on your 2014 gmc terrain from. There are much better ways of servicing and understanding your gmc terrain engine than the haynes manual. Web search by part number(s), keywords, or vin.