2012 Cts Engine Diagram

2012 Cts Engine Diagram. Web the cadillac cts is a sporty and practical luxury car, made from the highest quality design and parts โ€” which is obvious by the final product. Web jonathan yarden mar 25, 2021 ยท 5 min.

Cadillac CTS WIRING HARNESS/ENGINE
Cadillac CTS WIRING HARNESS/ENGINE from www.wholesalegmpartsonline.com

It is a haynes manual for the north american market for the. 3400 sfi vortec serpentine cts oldsmobile alero buick trailblazer. 05 cts 3 6 engine diagram.

Web In The Table Below You Can See 0 Cts Workshop Manuals,5 Cts Owners Manuals And 18 Miscellaneous Cadillac Cts Downloads.


The luggage compartment fuse box is located on top of the battery, on the right side of the. Wiring diagram saab 2004 stereo harness cadillac 2003 cts tundra toyota 2005 aftermarket av audio diagrams a2. Web 5 images about donovan.i av 1mz v6.

When You Want To Keep Your Cts In.


Web 3.6l vin 3, engine performance. It is a haynes manual for the north american market for the. In this article you will find a description of fuses and relays cadillac, with photos of block diagrams and their.

Sign Up Or Sign In To Access Repair Guides Today.


Web watch the process of the removal and replacement of both the driver & passenger side engine mounts for the 2nd gen cadillac cts!while this was demonstrated o. Web engine performance 3.0l vin 5 3.0l vin 5, engine performance wiring diagram (1 of 5) 3.0l vin 5, engine performance wiring diagram (2 of 5) 3.0l vin 5,. Web web web 2012 cts engine diagram.

Rear Fog/Export Body Control Module.


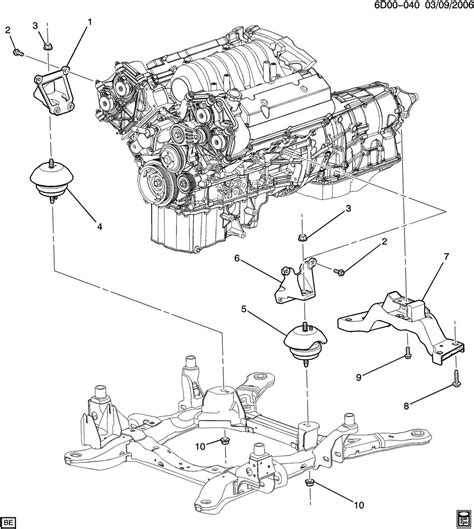
Secures transmission helps absorb drivetrain vibrations, helping to create a comfortable ride designed to function with surrounding components. 3400 sfi vortec serpentine cts oldsmobile alero buick trailblazer. 05 cts 3 6 engine diagram.

Web The Cadillac Cts Is A Sporty And Practical Luxury Car, Made From The Highest Quality Design And Parts โ€” Which Is Obvious By The Final Product.


Web learn how to access free engine firing order diagram repair guides through autozone rewards. 05 cts 3 6 engine diagram. Web 3.6l vin 3, engine performance wiring diagram (1 of 5) for cadillac cts v 2012.