2010 Saturn Wiring Schematic

2010 Saturn Wiring Schematic. Web 2010 saturn wiring schematic.web 3.6l vin 7, automatic a/c wiring diagram (1 of 2) for saturn vue xe 2009. Get access all wiring diagrams car.

Where can i find a saturn wiring diagram? I built an electric vehicle
Where can i find a saturn wiring diagram? I built an electric vehicle from www.justanswer.com

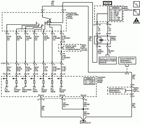
The tcm sends the power, the sensor just alters the voltage and sends it back to the tcm. Web 3.6l vin 7, engine performance wiring diagram (5 of 6) for saturn aura xe 2009. Get access all wiring diagrams car.

Get Access All Wiring Diagrams Car.


Web which means the circuit starts and ends at the tcm. Get access all wiring diagrams car. Web 2010 saturn wiring schematic.web 3.6l vin 7, automatic a/c wiring diagram (1 of 2) for saturn vue xe 2009.

Get Access All Wiring Diagrams Car.


Web 2.2l vin d, engine performance wiring diagram (2 of 3) for saturn vue 2006. Web dr scca solo 2010 1st st crutchfield: Web 3.6l vin 7, engine performance wiring diagram (5 of 6) for saturn aura xe 2009.

Web Our Saturn Automotive Repair Manuals Are Split Into Five Broad Categories;


Web 2.4l vin z, engine performance wiring diagram (2 of 4) for saturn vue 2007. Saturn workshop manuals, saturn owners manuals, saturn wiring diagrams, saturn sales. Get access all wiring diagrams car.

Saturn Astra Xe Saturn Astra Xr Saturn Aura Green Line Saturn Aura Xe Saturn Aura Xr Saturn Ion 1 Saturn Ion 2 Saturn Ion 3 Saturn.


Web these aura manuals have been provided by our users, so we can’t guarantee completeness. Web 3.6l vin 7, a/t wiring diagram (1 of 2) for saturn vue red line 2008. We’ve checked the years that the manuals cover and we have.

Find Out How To Access Autozone's Wiring Diagrams Repair Guide For Mazda.


The tcm sends the power, the sensor just alters the voltage and sends it back to the tcm. Web symboldescription1under hood fuse block ( uhfb. Web wiring diagrams saturn by year.