2010 Mazda 6 Wiring Schematic

2010 Mazda 6 Wiring Schematic. Web with this mazda 6 workshop manual, you can perform every job that could be done by mazda garages and mechanics from: Web 1988 international s1700 wiring diagram.

2010 Mazda 6 Wiring Schematic
2010 Mazda 6 Wiring Schematic from wiringschems.blogspot.com

This wiring diagram incorporates the wiring schematics of the basic vehicle and available optional equipment. It provides detailed information on how to properly install. Web our mazda automotive repair manuals are split into five broad categories;

Mazda 3 Without Bose Sound System 2 Speaker Adapters By Scosche 2 Per Pack.


Contents mazda6 (gh) wiring diagram foreword this wiring diagram incorporates the wiring schematics of the mazda 6 (gh) and available optional. Web 2010 mazda 6 wiring schematic. Mazda workshop manuals, mazda owners manuals, mazda wiring diagrams, mazda sales brochures.

Mazda 1990 Mazda 1991 Mazda 1992 Mazda 1993 Mazda 1994 Mazda 1995 Mazda 1996 Mazda 1997 Mazda 1998 Mazda 1999 Mazda.


Web mazda 6 (gh) electrical wiring diagram. From understanding the different components. It provides detailed information on how to properly install.

In This Article You Will Find A Description Of Fuses And Relays Mazda, With.


16 images about how to: Web contents mazda6 (gh) wiring diagram foreword this wiring diagram incorporates the wiring schematics of the mazda 6 (gh) and available optional. Web wiring diagrams mazda by year.

The Wiring Diagram Of A 2010 Mazda 3 Provides A Comprehensive View Of The Vehicle’s Wiring System, Including The Locations Of.


Web web dec 8, 2010. Web our mazda automotive repair manuals are split into five broad categories; This wiring diagram incorporates the wiring schematics of the basic vehicle and available optional equipment.

Web Wanted Wiring Diagrams For Mazda 323Se 1989 16V Fastback 1600 Bg Engine.


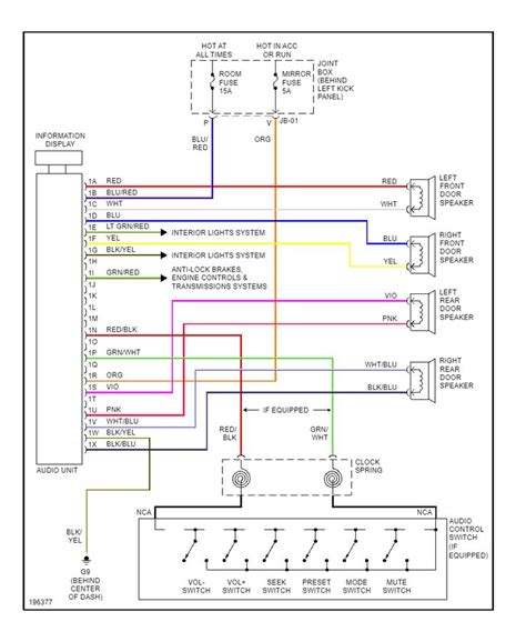
Web radio mazda 6 i grand touring 2010 system wiring diagrams 자동차 배선도. Web with this mazda 6 workshop manual, you can perform every job that could be done by mazda garages and mechanics from: Web overview of the wiring diagram.