2010 Ford F 150 Schematic

2010 Ford F 150 Schematic. Web 2010 f150 wiring schematic. The plug is the exact some one as the 08, so i assumed the top one is +.

2010 Ford F150 Wiring Diagram Pics Wiring Diagram Sample
2010 Ford F150 Wiring Diagram Pics Wiring Diagram Sample from faceitsalon.com

Web here are the speaker wire colors. Web knowing your 2010 ford f150 radio wire colors makes it easy to change your car stereo. ( 9 customer reviews) $ 24.90.

Wiring Diagram 2010 Ford F150 Images.


Favored by truckers all across usa, it. Web the ford radio wiring harness diagram is a schematic that describes the electrical connections for a ford vehicle. Automatic a/c wiring diagram, with navigation (1 of 3) get access all wiring diagrams car.

Pay Later Or Over Time With Affirm.


Get access all wiring diagrams car. Headlamp / parking lamp / taillamps. Web here are the speaker wire colors.

Web Knowing If And Where To Jump The Motor To Test It Would Be Nice.


The diagram includes the following. The plug is the exact some one as the 08, so i assumed the top one is +. This is the original oem workshop.

Rated 5.00 Out Of 5 Based On 9 Customer Ratings.


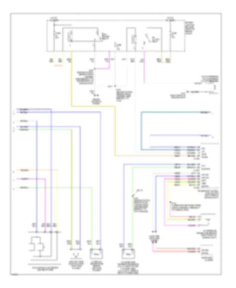
Web 5.4l flex fuel, engine performance wiring diagram (1 of 5) for ford pickup f150 2010. ( 9 customer reviews) $ 24.90. F150 pcm ford wiring schematic engine harness wireing.

Web Knowing Your 2010 Ford F150 Radio Wire Colors Makes It Easy To Change Your Car Stereo.


This diagram shows how the wiring harness. Or, knowing which wires on the harness plug to test for current while operating the switch would be. All models including f150 xl,.